«Похождения видов. Вампироноги, паукохвосты и другие переходные формы в эволюции животных»

Современные животные совсем не похожи на своих далеких предков. Мир постоянно менялся, вместе с ним изменялись его обитатели, и некоторые из них преобразились до неузнаваемости (об одном таком путешествии мы рассказывали в материале «В направлении кита». Наяву предыдущие формы наших современников мы увидеть не можем, но палеонтологи умеют восстанавливать их облик (об этом мы, в частности, рассказывали в материале «Нарисуй мне динозавра»). В книге «Похождения видов. Вампироноги, паукохвосты и другие переходные формы в эволюции животных» (издательство «Альпина нон-фикшн») профессор кафедры биологической эволюции биологического факультета МГУ Андрей Журавлев описывает работу современного палеонтолога и рассказывает, как когда-то выглядели беспозвоночные животные.
Издание подготовлено при поддержке Фонда некоммерческих инициатив «Траектория».
Мшанки и брахиоподы: когда голова не всему голова
Когда-то эту большую группу животных — двустворчатых брахиопод, сетчатых мшанок и живущих в трубочках форонид — называли щупальцевыми. Просто и понятно. Теперь за ними закрепилось название лофофораты (Lophophorata; от греч. λοϕοσ — грива, султан и ϕορεω — носить), и кто это, требуется объяснять. Хотя так, конечно, правильнее: ведь щупальца есть, например, у кольчатых червей, у медуз и кораллов. Получается, они тоже щупальцевые? В общем и целом — да, только другие.
У лофофорат маленькие щупальца протянулись одинарным или двойным рядом вдоль желобка, расположенного на особом органе — как можно догадаться, на лофофоре (щупальценосце). Щупальца покрыты многочисленными ресничками, которые гонят пищевые частицы ко рту, открывающемуся в основании подковообразного (обычно) лофофора, и также служат для дыхания. Парные выросты лофофора, как правило, скручены в две спирали. У некоторых древних брахиопод они укреплялись кальцитом или фосфатом и поэтому сохранились в ископаемых раковинах. (Кораллы и медузы, напомню, щупальцами удерживают добычу и умерщвляют ее стрекательными клетками, а кольчецы — ищут.) Все современные лофофораты — животные сидячие, кишечник у них сворачивается петлей, и анальное отверстие оказывается недалеко от ротового. У брахиопод с кальцитовой раковиной кишечник слепой, без анального отверстия, или, реже, открывается между створок назад. Головы, если не считать небольшого сгущения тел нервных клеток над глоткой, нет как таковой.
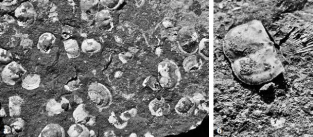
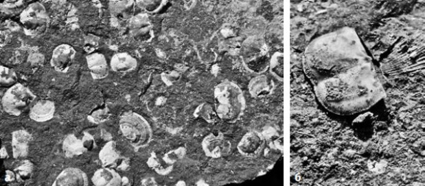
Брахиоподы (Brachiopoda; от греч. βραχιων — рука и πουσ — нога) с помощью мантийных складок выделяют известковую либо хитиново-фосфатную двустворчатую раковину. Вот только створки у них — не правая и левая, охватывающие тело с боков, как у двустворчатых моллюсков, а брюшная, обычно более выпуклая, и спинная, уплощенная (рис. 15.1, 20.1). (Выдающейся брюшной стороной они даже похожи на нас.) Створки удерживаются вместе с помощью замка из мелких зубчиков, расположенных на заостренном (иногда клювообразном) заднем крае брюшной створки (соответственно, на спинной есть ямки), и мускулов-замыкателей. Брахиоподы и в этом уподобились двустворкам, но «инженерная мысль» у них работала хуже. Они открывают створки не гибкой связкой, лигаментом, а особыми мускулами-открывателями либо иными группами мышц, двигающими створки или нагнетающими давление в полости тела.
Впрочем, на палеозойский век брахиопод хватило и этого. На грунте они сидели задним краем вниз, прикрепляясь с помощью стебельчатой ножки, выходящей из треугольно го или округлого отверстия на макушке брюшной створки (Rhynchonelliformea). Те, кто не имел замка на раковине, либо прикипали известковой брюшной створкой прямо к твердому субстрату (Craniiformea), либо, наоборот, с помощью суженной уплощенной раковины закапывались в мягкий ил, подсобляя себе длинной мускулистой ногой или волоча ее за собой (Linguliformea). Такие формы, вроде современной лингулы (Lingula), в Юго-Восточной Азии местные жители даже выкапывают ради их толстых ножек.

Ножка покрыта роговидной кутикулой, которая может уцелеть на окаменелостях в лагерштеттах. Неплохо сохраняются и чувствительные хитиновые щетинки, такие же, как у кольчатых червей и древних моллюсков. Они располагаются рядком вдоль края мантийной складки и выходят через особые поры в раковине, иногда вытянутые в полые шипы (рис. 15.1). По этому признаку известковые раковины брахиопод легко отличить от раковин моллюсков (с фосфатными проще, таких у двустворок не бывает). Микроструктура раковин чаще пластинчатая или призматическая — вот в этом они с моллюсками несколько похожи. Тонкие пластины иногда выгибаются плотными узкими столбиками, чтобы усилить скелет. Моллюскам подобный внутренний каркас не понадобился: они усовершенствовали сами микроструктуры, создав, например, особо прочный перламутр.
