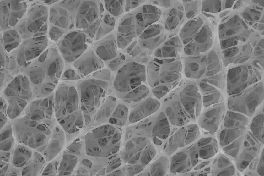
Создан пористый гидрогель, который быстро и эффективно очищает воду от грязи и тяжелых металлов

Наши постоянные читатели неоднократно видели новости о системах, которые используют солнечный свет для очистки испорченной воды, но их производительность часто весьма ограничена. Однако новый гидрогель, вдохновленный люфой, использует солнечный свет для обработки гораздо большего количества воды за один раз – этого достаточно, чтобы удовлетворить ежедневные потребности человека.
Существующие устройства на солнечных батареях используют солнечный свет для нагрева грязной воды до такой степени, что она начинает испаряться. Образующийся водяной пар, не содержащий вредных веществ, конденсируется на поверхности внутри дистиллятора, а затем стекает в сборный резервуар. Это умная установка, но она производит питьевую воду только до тех пор, пока светит солнце — и даже в этом случае процесс крайне медленный.
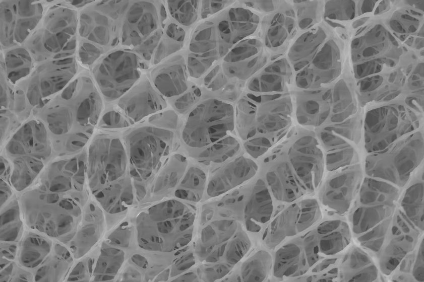
Материалы, известные как чувствительные к температуре гидрогели, предлагают альтернативу, поскольку они впитывают грязную воду при низких температурах, а затем выделяют ее (в очищенной форме) при нагревании. Однако, по словам Родни Пристли, Сяохуэй Сю и их коллег из Принстонского университета,